English
Español
Português
русский
Français
日本語
Deutsch
tiếng Việt
Italiano
Nederlands
ภาษาไทย
Polski
한국어
Svenska
magyar
Malay
বাংলা ভাষার
Dansk
Suomi
हिन्दी
Pilipino
Türkçe
Gaeilge
العربية
Indonesia
Norsk
تمل
český
ελληνικά
український
Javanese
فارسی
தமிழ்
తెలుగు
नेपाली
Burmese
български
ລາວ
Latine
Қазақша
Euskal
Azərbaycan
Slovenský jazyk
Македонски
Lietuvos
Eesti Keel
Română
Slovenski
मराठी
Srpski језик |
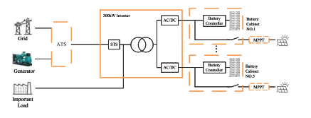
ຄຸນນະສົມບັດ ລະບົບດັ່ງກ່າວນໍາໃຊ້ຫົວຫນ່ວຍ Inverter ແບບໂມດູນໃນການຕັ້ງຄ່າຂະຫນານ, ບ່ອນທີ່ ການປ້ອນຂໍ້ມູນ DC ຂອງແຕ່ລະແບບໂມດູນແຕ່ລະສ່ວນເທົ່າກັບຕູ້ແບັດເຕີຣີທີ່ອຸທິດຕົນ, ເຮັດໃຫ້ການຄຸ້ມຄອງຕໍ່ບ້ານເພື່ອກໍາຈັດກະແສການຫມູນວຽນລະຫວ່າງ ເຊືອກແບັດເຕີຣີ. ໂມດູນພະລັງງານ AC / DC ສະຫນັບສະຫນູນການນໍາໃຊ້ທີ່ຍືດຫຍຸ່ນໄດ້ໃນທັງສອງປະລິມານແລະ ການໃຫ້ຄະແນນພະລັງງານ, ມີຄວາມສາມາດສູງສຸດຂອງໂມດູນ 60kW ໃນຂະຫນານ 5 ຫນ່ວຍ ການຕັ້ງຄ່າ. ຜົນໄດ້ຮັບ AC ຈາກໂມດູນພະລັງງານແມ່ນສົ່ງຜ່ານຫມໍ້ແປງໄຟຟ້າ ຂັ້ນຕອນຫ່າງໄກສອກຫລີກ, ການສະຫນອງພະລັງງານໃນການໂຫຼດທີ່ມີຄວາມຕ້ານທານທີ່ສຸດ ຊ shock ອກໃນປະຈຸບັນ. ປະສົມ Ess Esf ທີ່ມີຄວາມສ່ຽງທີ່ຈະເຊື່ອມໂຍງເຂົ້າກັບຮູບຖ່າຍ photovolta ທີ່ຮັບມືກັນ, ການບັນລຸລະດັບສູງ ປະສິດທິພາບການປ່ຽນແປງພະລັງງານແລະທີ່ດີທີ່ສຸດສໍາລັບສະຖານະການ Off-GRID ກັບ PV ຄວາມສາມາດໃນການຜະລິດແມ່ນເກີນຄວາມຕ້ອງການການໂຫຼດ; ຜູ້ຄວບຄຸມ MPPT Outdoour ປະສົມປະສານກັບການປະສົມປະສານແລະການເຮັດວຽກທີ່ບໍ່ມີການເຮັດວຽກເຂົ້າໄປໃນບ່ອນປິດລ້ອມທີ່ແຂງກະດ້າງ. ລະບົບທີ່ສົມບູນປະກອບມີເຄື່ອງຈັກຜະລິດກາຊວນໃນຕົວເລືອກ, ປະສົມ 300kW Inverter, PV Mppt ຄວບຄຸມ, ແລະລະບົບເກັບແບັດເຕີຣີແບັດເຕີຣີ.
ຄຸນນະສົມບັດ ລະບົບດັ່ງກ່າວນໍາໃຊ້ຫົວຫນ່ວຍ Inverter ແບບໂມດູນໃນການຕັ້ງຄ່າຂະຫນານ, ບ່ອນທີ່ ການປ້ອນຂໍ້ມູນ DC ຂອງແຕ່ລະແບບໂມດູນແຕ່ລະສ່ວນເທົ່າກັບຕູ້ແບັດເຕີຣີທີ່ອຸທິດຕົນ, ເຮັດໃຫ້ການຄຸ້ມຄອງຕໍ່ບ້ານເພື່ອກໍາຈັດກະແສການຫມູນວຽນລະຫວ່າງ ເຊືອກແບັດເຕີຣີ. ໂມດູນພະລັງງານ AC / DC ສະຫນັບສະຫນູນການນໍາໃຊ້ທີ່ຍືດຫຍຸ່ນໄດ້ໃນທັງສອງປະລິມານແລະ ການໃຫ້ຄະແນນພະລັງງານ, ມີຄວາມສາມາດສູງສຸດຂອງໂມດູນ 60kW ໃນຂະຫນານ 5 ຫນ່ວຍ ການຕັ້ງຄ່າ. ຜົນໄດ້ຮັບ AC ຈາກໂມດູນພະລັງງານແມ່ນສົ່ງຜ່ານຫມໍ້ແປງໄຟຟ້າ ຂັ້ນຕອນຫ່າງໄກສອກຫລີກ, ການສະຫນອງພະລັງງານໃນການໂຫຼດທີ່ມີຄວາມຕ້ານທານທີ່ສຸດ ຊ shock ອກໃນປະຈຸບັນ. ປະສົມ Ess Esf ທີ່ມີຄວາມສ່ຽງທີ່ຈະເຊື່ອມໂຍງເຂົ້າກັບຮູບຖ່າຍ photovolta ທີ່ຮັບມືກັນ, ການບັນລຸລະດັບສູງ ປະສິດທິພາບການປ່ຽນແປງພະລັງງານແລະທີ່ດີທີ່ສຸດສໍາລັບສະຖານະການ Off-GRID ກັບ PV ຄວາມສາມາດໃນການຜະລິດແມ່ນເກີນຄວາມຕ້ອງການການໂຫຼດ; ຜູ້ຄວບຄຸມ MPPT Outdoour ປະສົມປະສານກັບການປະສົມປະສານແລະການເຮັດວຽກທີ່ບໍ່ມີການເຮັດວຽກເຂົ້າໄປໃນບ່ອນປິດລ້ອມທີ່ແຂງກະດ້າງ. ລະບົບທີ່ສົມບູນປະກອບມີເຄື່ອງຈັກຜະລິດກາຊວນໃນຕົວເລືອກ, ປະສົມ 300kW Inverter, PV Mppt ຄວບຄຸມ, ແລະລະບົບເກັບແບັດເຕີຣີແບັດເຕີຣີ.
ຂໍ້ມູນສະເພາະ |
|||||
| ຮູບແບບ | p200ts-400-a | P250ts-400-a | p300ts-400-a | ||
|
ພາລາມິເຕີ Side Side |
ເຄື່ອງແຮງໄຟຟ້າ | 650-950VDC | |||
| ເຄື່ອງປ້ອນຂໍ້ມູນຕໍ່ລະບົບ Per-Module | 250A | ||||
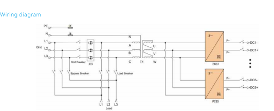
| ຈໍານວນຊ່ອງທາງ DC | 3 ທາງ | 4 ທາງ | 5 ທາງ | ||
|
ຕົວກໍານົດການຂ້າງຄຽງ (ຕາຂ່າຍໄຟຟ້າເຊື່ອມຕໍ່) |
ພະລັງງານຜົນຜະລິດ | 200kw | 250kW | 300kW | |
| ພະລັງງານຜົນຜະລິດສູງສຸດ | 220KW | 275kW | 330kW | ||
| ປະຈຸບັນຜົນຜະລິດ | 289a | 361a | 433a | ||
| ອະນຸວາດ | <3% | ||||
| ປະເພດຕາຂ່າຍໄຟຟ້າ | 3W + N + PE | ||||
| ເຄື່ອງແຮງໄຟຟ້າ | 360vac ~ 440vac | ||||
| ລະດັບຄວາມຖີ່ | 45 ~ 55hz / 55 ~ 65hz | ||||
| ປັດໄຈພະລັງງານ | -1 ~ 1 | ||||
|
ເກາະ ຕົວກໍານົດການຂ້າງຄຽງ |
ພະລັງງານຜົນຜະລິດ | 200kw | 250kW 300KW | ||
| ອັດຕາແຮງດັນຜົນຜະລິດ | 400vac | ||||
| ຄວາມຖີ່ຂອງຜົນຜະລິດ | 50 / 60hz | ||||
| ເຄີ່ງການ | <1% linear, <5% no 5% no no no no <1% linear, <5% ບໍ່ແມ່ນສາຍຟຣີ | ||||
| ຄວາມສາມາດເກີນກໍາລັງ | 110% ເກີນກໍານົດສໍາລັບ 10 ນາທີ 101010% ສໍາລັບ 10mins | ||||
|
Grid-Islanding ໂອນແລະປ່ຽນ |
ການປ່ຽນ andpass endenance | 400A | 630a | ||
| ຕາຂ່າຍໄຟຟ້າສະຫຼັບ | 630a | 800A | |||
| ປ່ຽນບັນຈຸ | 400A | 630a | |||
| ຫນ່ວຍງານ Sts | 577a / 400kW | 722a / 500kW | |||
| ເວລາປ່ຽນ | <20ms | ||||
|
ພາລາມິເຕີລະບົບ |
ປະສິດທິພາບສູງສຸດ | 97,5% | |||
| ອຸນຫະພູມໃນການເຮັດວຽກ | -30 ~ 55 ℃ -305 ~ 55 ℃ (Deating ຂ້າງເທິງ 40 ℃) | ||||
| ຄວາມຊຸ່ມຊື່ນທີ່ກ່ຽວຂ້ອງ | 0 ~ 95% RH, 0 ~ 95% RH, ບໍ່ມີຄວາມຫມາຍ | ||||
| ຂະຫນາດ (l * d * h) | 1300 × 1050 × 2050mm | ||||
| ນ້ໍາຫນັກ | 1400kg | 1700kg 1800kg | |||
| ipgrade | IP21 IP21 (ຊຸດຄົບຊຸດ) | ||||
| ສຽງລົບກວນ | <70db | ||||
| ຈໍສະແດງຜົນຫນ້າຈໍ | LCD Touch-Screen | ||||
| ການສື່ສານ BMS | ໄດ້ | ||||
| ການສື່ສານ EMS | TCP / IP | ||||